Modulul emițător de raze UV-C încorporat efectuează o sterilizare eficientă și
eficientă a aerului atât pe suprafața serpentinei unității, cât și pe aerul
care trece prin aceasta. Performanța acestui modul a fost certificată
de către laboratorul independent Texcell.

În funcție de cerințele utilizatorilor, presiunea statică poate fi reglată de controlerul de sârmă, în loc de modul tradițional de schimbare a terminalelor roșii și albe. Presiunea statică maximă a întregii serii poate ajunge la 100Pa.
Unitatea poate conecta mai multe camere prin conducta de aer și poate fi aranjată flexibil în funcție de diferite tipuri de case, un aparat de aer condiționat, partajarea mai multor camere.


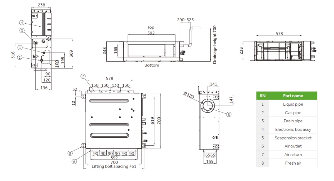
Pompă standard de ridicare a apei condensate, cap standard 700mm și comutator cu plutitor încorporat, convenabil pentru a coopera cu situația reală a site-ului, aer condiționat de evacuare a apei condensate.
În unitățile interioare permite reglarea compresiei de unică folosință prin intermediul controlerului cablat de utilizator.


Dispozitivele au o pompă de condens încorporată cu capacitate mare de ridicare - până la 450 mm.
Trei căi de scurgere.


Modulul cu componente electrice este amplasat direct sub grilă, ceea ce permite operațiuni de întreținere ușoare.
| Specificații | Unități | MIDJ- 05X1EV2AA |
MIDJ- 07X1EV2AA |
MIDJ- 09X1EV2AA |
MIDJ- 12X1EV2AA |
MIDJ- 16X1EV2AA |
MIDJ- 18X1EV2AA |
MIDJ- 24X1EV2AA |
MIDJ- 28X1EV2AA |
MIDJ- 30X1EV1AA |
MIDJ- 38X1EV1AA |
MIDJ- 48X1EV1AA |
MIDJ- 54X1EV1AA |
| Capacitate | |||||||||||||
| Răcire | kW | 1,50 | 2,20 | 2,80 | 3,60 | 4,50 | 5,60 | 7,10 | 8,00 | 9,00 | 11,20 | 14,00 | 16,00 |
| Încălzire | kW | 1,70 | 2,50 | 3,20 | 4,00 | 5,00 | 6,30 | 8,00 | 9,00 | 10,00 | 13,00 | 16,30 | 18,00 |
| Parametrii electrici | |||||||||||||
| Alimentare | Ph/V/Hz | 1/220~230/50/60 | |||||||||||
| Ventilație | |||||||||||||
| Debit de aer (H/M/L) | m3/h | 515/ 440/390 |
545/ 470/390 |
545/ 470/390 |
570/ 495/420 |
700/ 625/550 |
915/ 765/640 |
1275/ 1050/875 |
1275/ 1050/875 |
1450/ 1200/1000 |
2000/ 1700/1400 |
2150/ 1700/1400 |
2350/ 1950/1600 |
| Presiunea acustică (H/M/L) |
dB(A) | 29/27/25 | 30/28/25 | 30/28/25 | 31/29/27 | 32/30/28 | 33/31/29 | 34/31/29 | 35/33/30 | 36/33/30 | 38/35/32 | 40/36/32 | 42/38/34 |
| Putere sonoră (H/M/L) |
dB(A) | 41/39/37 | 42/40/37 | 42/40/37 | 43/41/39 | 44/42/40 | 45/43/41 | 46/43/41 | 47/45/42 | 48/45/42 | 50/47/44 | 52/48/44 | 54/50/46 |
| Instalare - Dimensiuni | |||||||||||||
| Dimensiuni nete (WxDxH) |
mm | 700x700x248 | 1100x700x248 | 1500x700x248 | |||||||||
| Unitate ambalată dimensiuni (LxÎxA) |
mm | 932x835x280 | 1332x835x280 | 1698x857x305 | |||||||||
| Greutate netă / brută |
Kg | 27,0/ 32,0 |
27,0/ 32,0 |
27,0/ 32,0 |
27,0/ 32,0 |
28,5/ 33,5 |
36,8/ 43,4 |
36,8/ 43,4 |
36,8/ 43,4 |
39,4/ 45,4 |
48,3/ 56,5 |
51,3/ 59,5 |
51,3/ 59,5 |
| Ø Conducta de lichid | mm (inch) |
6,35 (1/4) |
6,35 (1/4) |
6,35 (1/4) |
6,35 (1/4) |
6,35 (1/4) |
6,35 (1/4) |
9,52 (3/8) |
9,52 (3/8) |
9,52 (3/8) |
9,52 (3/8) |
9,52 (3/8) |
9,52 (3/8) |
| Ø Țeava de gaz | mm (inch) |
9,52 (3/8) |
9,52 (3/8) |
9,52 (3/8) |
12,70 (1/2) | 12,70 (1/2) | 12,70 (1/2) | 15,88 (5/8) |
15,88 (5/8) |
15,88 (5/8) |
15,88 (5/8) |
15,88 (5/8) |
15,88 (5/8) |
| Presiune statică (Standard/Max.) |
Pa | 20/200 | 20/200 | 20/200 | 20/200 | 20/200 | 20/200 | 20/200 | 20/200 | 20/180 | 20/180 | 20/180 | 20/180 |
MIDG-38X1EV2AD(H) MIDG-48X1EV2AD(H) MIDG-54X1EV2AD(H) MIDJ-38X1EV1AA MIDJ-48X1EV1AA MIDJ-54X1EV1AA

Dimensiuni
MIDJ-05X1EV2AA MIDJ-07X1EV2AA MIDJ-09X1EV2AA MIDJ-12X1EV2AA MIDJ-16X1EV2AA

Dimensiuni
MIDJ-18X1EV2AA MIDJ-24X1EV2AA MIDJ-28X1EV2AA MIDJ-30X1EV1AA
